RBD
Descubre cómo los Diagramas de Bloques de Confiabilidad transforman la forma de planear el mantenimiento y la disponibilidad de equipos.
Modela la confiabilidad de tus sistemas con RBD
RBD
Reliability Block Diagram
¿Que es un RBD?
Un RBD (Reliability Block Diagram) es una representación gráfica que permite modelar la confiabilidad de un sistema. Cada bloque representa un componente, y su conexión muestra cómo afectan la disponibilidad y el desempeño total.
¿Como funciona un RBD?
Un Diagrama de Bloques de Confiabilidad traduce la complejidad de un sistema en una representación visual relativamente sencilla de interpretar. El proceso consiste en identificar cada componente, definir sus interacciones y calcular cómo esas relaciones afectan la disponibilidad del sistema completo.
Pasos Fundamentales para construir un RBD
Identificar los
componentes
Cada parte del sistema (bombas, válvulas, motores, tableros eléctricos, etc.) se representa como un bloque individual. Un RBD es tan bueno como la calidad y cantidad de su información, si tenemos cada minimo componente sera cada vez mejor.
Definir conexiones y dependencias
Los bloques se conectan en serie, en paralelo o con redundancias, mostrando cómo dependen entre sí para mantener el sistema funcionando.
Evaluación de
resultados
El modelo permite calcular métricas clave como confiabilidad, disponibilidad y tiempo medio entre fallas (MTBF), brindando una visión clara para la toma de decisiones.
Ejemplo práctico: modelando la confiabilidad de un sistema con RBD
Imagina una planta de bombeo con tres bombas encargadas de mantener el flujo continuo del proceso:
Configuración en serie: si una bomba falla, todo el sistema se detiene.
Configuración en paralelo: el sistema puede seguir operando incluso si una de las bombas falla.
Con un Diagrama de Bloques de Confiabilidad (RBD), este comportamiento se representa de forma gráfica y cuantificable. El modelo permite calcular la disponibilidad real del sistema, identificar cuellos de botella y evaluar estrategias de redundancia para mejorar la confiabilidad operativa
El poder de Isograph
Aunque un RBD puede construirse haciendo uso de distintas herramientas, el verdadero valor surge al usar herramientas como Isograph, el software líder en análisis de confiabilidad. Con Isograph puedes:
- Construir modelos complejos en minutos.
- Simular diferentes configuraciones.
- Generar reportes técnicos listos para la toma de decisiones.
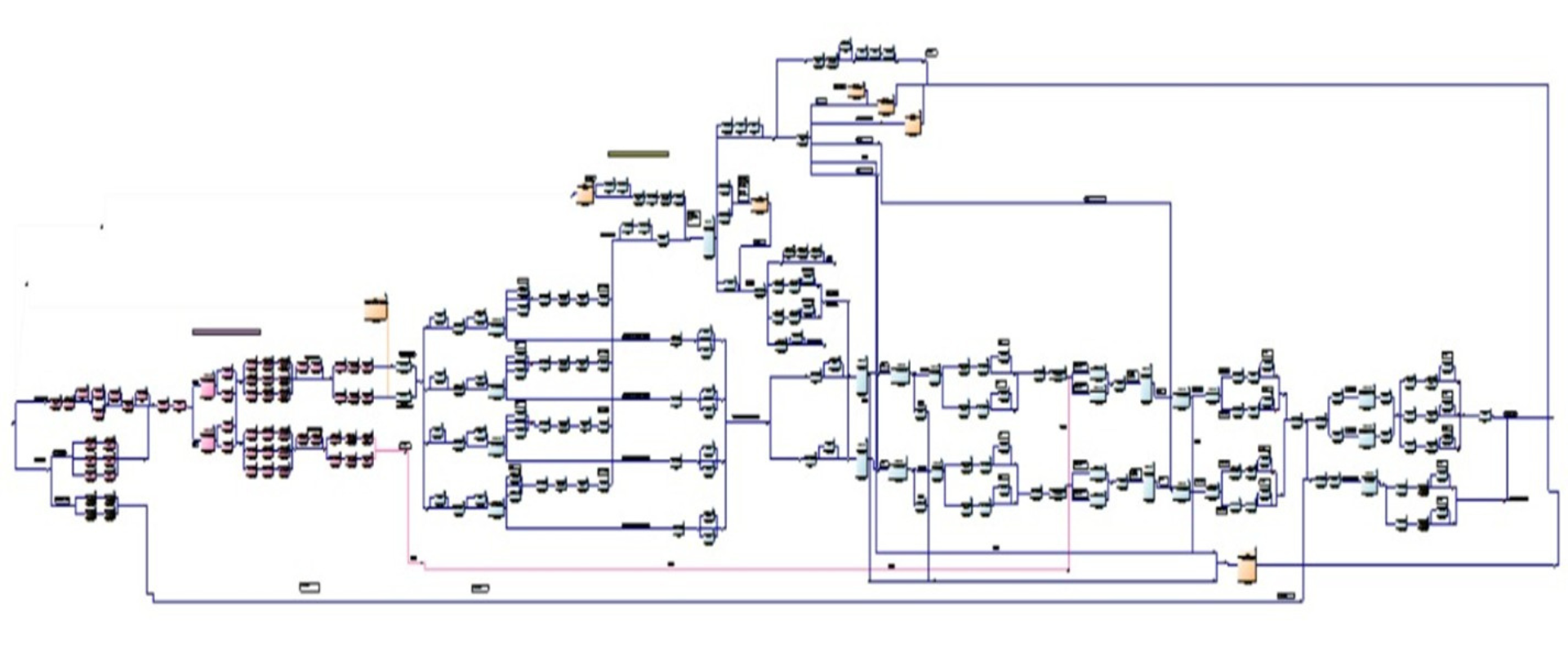
RBD completo de una PTAR
Cursos y Capacitaciones
En IG Group SAS hemos diseñado este curso virtual para que aprendas a dominar el uso de Diagramas de Bloques de Confiabilidad (RBD) y su aplicación práctica con Isograph, el software líder en análisis de confiabilidad.
Con más de 15 años de experiencia en el sector de mantenimiento y confiabilidad, nuestro equipo de ingenieros combina conocimiento técnico y casos reales de la industria para ofrecerte una formación sólida, práctica y enfocada en resultados.
Aprende a modelar, analizar y optimizar la confiabilidad de sistemas industriales utilizando Diagramas de Red de Bloques en Confiabilidad (RBD).
En tres sesiones intensivas de 5 horas cada una, adquirirás los conocimientos y habilidades necesarias para construir RBD óptimos, con un enfoque 100% práctico y utilizando herramientas líderes del mercado como el software Isograph AWB.
Detalles
Fechas:
Valor:
Fecha Máxima de Inscripción:
Horario:
Modalidad: 100% virtual (en vivo)
Agregados
- Certificado de participación.
- Acceso a grabaciones por 15 días.
- Licencia de software Isograph con el módulo AvSim 5.0 por 15 días.
¿Que esperas para inscribirte y potenciar tus conocimientos en RBD?
Si deseas conocer más información escríbenos a nuestro WhatsApp




